襄阳双元桩基础工程有限公司

专业建筑基础工程施工企业
万丈高楼平地起,双元桩基是根基
7*24小时服务热线:
0710-3989777

桩基础基本知识点全解析,满满都是干货!

33
发表时间:2023-02-05 15:37

桩基础基本知识点全解析,满满都是干货!



图片

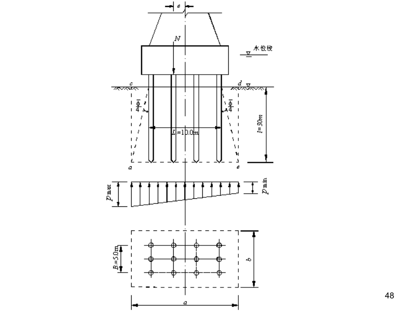
桩基础是一种承载能力高、适用范围广、历史久远的基础形式。桩是将建筑物的全部或部分荷载传递给地基土并具有一定刚度和抗弯能力的传力构件,其横截面尺寸远小于其长度。而桩基础是由埋设在地基中的多根桩(称为桩群)和把桩群联合起来共同工作的桩台(称为承台)两部分组成。

桩基础的作用是将荷载传至地下较深处承载性能好的土层,以满足承载力和沉降的要求。桩基础的承载能力高,能承受竖直荷载,也能承受水平荷载,能抵抗上拔荷载也能承受振动荷载,是应用最广泛的深基础形式。

图片

图片

图片

图片

图片

图片

图片

图片

图片

图片

图片

图片

图片

图片

图片

图片

图片

图片

图片

图片

图片

图片

图片

图片

图片

图片

图片

图片

图片

图片

图片

图片

图片

图片

图片

图片

图片

图片

图片

图片

图片

图片

图片

图片

图片

图片

图片

图片

图片

图片

图片

图片

图片

图片

图片

图片

双元公司外景.jpg

   襄阳双元桩基础工程有限公司是襄阳本地化的一家专业建筑基础施工企业,立足襄阳,面向湖北及周边河南,陕西毗邻地区。
   主要提供襄阳旋挖成孔混凝土灌注桩钻机,襄阳长螺旋CFG钻孔混凝土压灌桩桩机,针对回填土及杂填土方面国内上世纪八九十年代老桩型襄阳挤密夯扩桩,和现在经改良结合以前夯扩桩襄阳碎石桩工艺的内夯锤襄阳载体桩,以及根据汉江水位上涨地下室基坑需要的襄阳抗浮锚杆桩。
    稳定的人才及施工队伍、十余年的技术及经验积累,和细致的钻机设备保养,是公司立足的核心基石;诚信赢天下,一次合作永远的朋友价值理念,得到了各界朋友的认可。。。。。。




分享到:
24小时服务热线
0710-2355888